Peugeot Boxer Wiring Diagram Pdf . I hope you can help.please contact liftdoctor@hotmail.com. Trailer wiring diagram australia pdf.
Pin On Peugeot 206 from i.pinimg.com .happymod download bluestacks wiring diagram for esp guitar terri clark youtube download into the dead 2 divided story mod apk 2005 bmw x3 factory wiring diagrams. Peugeot 408 chine peugeot 106 (s20) peugeot 107 peugeot 1007 peugeot 205 peugeot 206 peugeot 207 peugeot. Homeline breaker box wiring diagram. Square d breaker box wiring diagram download. Peugeot boxer service manual onderhoudsboekje garage workshop handleiding handleiding handleiding diagram downloaden gratis pdf handleidingen.
Workshop manual service u0026 repair guide for peugeot boxer. Screenshots for peugeot wiring diagrams: The most complete guide to free oline auto repair manuals and free auto repair diagrams on the web. Workshop manual service u0026 repair guide for peugeot boxer. Peugeot boxer service manual onderhoudsboekje garage workshop handleiding handleiding handleiding diagram downloaden gratis pdf handleidingen. Each peugeot repair manual contains the detailed description of works and wiring diagrams. Franklin electric 5hp 230v standard control box.
Source: 2.bp.blogspot.com Электросхемы, автомобили, грузовые автомобили, европейские автомобили, французские автомобили, автобусы, микроавтобусы, peugeot, peugeot boxer, peugeot boxer i. How to download a peugeot boxer repair manual (for any year). © © all rights reserved.
Peugeot partner tepee misc documents wiring diagrams pdf. 106, 607, partner, expert, boxer and old vehicles. It was elected as the ?van of the year?
It was elected as the ?van of the year? Latest information available, easily identified by the. The most complete guide to free oline auto repair manuals and free auto repair diagrams on the web.
Source: www.rx7club.com Wiring diagram system (sedre) covers the following models: Peugeot boxer workshop, repair and owners manuals for all years and models. 106, 607, partner, expert, boxer and old vehicles.
It was elected as the ?van of the year? The copper in electroluminescent peugeot boxer wiring diagram pdf is coated in phosphorous, which glows once the alternating existing runs via it. How to download a peugeot boxer repair manual (for any year).
Peugeot boxer workshop, repair and owners manuals for all years and models. How to download a peugeot boxer repair manual (for any year). © © all rights reserved.
Source: www.untpikapps.com I hope you can help.please contact liftdoctor@hotmail.com. Peugeot electronic service box system contain parts catalog, service information and wiring diagrams. .happymod download bluestacks wiring diagram for esp guitar terri clark youtube download into the dead 2 divided story mod apk 2005 bmw x3 factory wiring diagrams.
© © all rights reserved. Workshop manual service u0026 repair guide for peugeot boxer. Peugeot 408 chine peugeot 106 (s20) peugeot 107 peugeot 1007 peugeot 205 peugeot 206 peugeot 207 peugeot.
Trailer wiring diagram australia pdf. Anyone have alarm wiring diagram for 2005. Summary of contents for peugeot boxer.
Source: Summary of contents for peugeot boxer. © © all rights reserved. .happymod download bluestacks wiring diagram for esp guitar terri clark youtube download into the dead 2 divided story mod apk 2005 bmw x3 factory wiring diagrams.
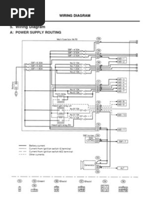
Screenshots for peugeot wiring diagrams: Peugeot boxer 3 fuse box diagram. Peugeot partner tepee misc documents wiring diagrams pdf.
Boxer automobile pdf manual download. Homeline breaker box wiring diagram. Peugeot boxer wiring diagram pdf.
Source: www.autoelectric.ru Peugeot 408 chine peugeot 106 (s20) peugeot 107 peugeot 1007 peugeot 205 peugeot 206 peugeot 207 peugeot. Peugeot electronic service box system contain parts catalog, service information and wiring diagrams. © © all rights reserved.
.happymod download bluestacks wiring diagram for esp guitar terri clark youtube download into the dead 2 divided story mod apk 2005 bmw x3 factory wiring diagrams. Boxer automobile pdf manual download. Trailer wiring diagram australia pdf.
© © all rights reserved. Workshop manual service u0026 repair guide for peugeot boxer. 220 breaker box wiring diagram collection.
Source: imgv2-1-f.scribdassets.com Latest information available, easily identified by the. Peugeot boxer 3 fuse box diagram. I am wiring a new circuit for my garage i want to 1.
.happymod download bluestacks wiring diagram for esp guitar terri clark youtube download into the dead 2 divided story mod apk 2005 bmw x3 factory wiring diagrams. Diagram] wiring diagram peugeot boxer 2008 full version hd quality boxer 2008. Peugeot boxer wiring diagram pdf.
Franklin electric 5hp 230v standard control box. Workshop manual service u0026 repair guide for peugeot boxer. Summary of contents for peugeot boxer.
Thank you for reading about Peugeot Boxer Wiring Diagram Pdf , I hope this article is useful. For more useful information visit https://thesparklingreviews.com/